Login

Please register for an individual price calculation.

Forgot Password?

Always stay up to date

With our e-mailings you will receive regular information about products, events, services and Balluff.

REGISTER AS A COMPANY

We will check whether you already have a customer number with us in order to link your new online account with it.

Register
Products
Service & Support
Industries & Solutions
Company

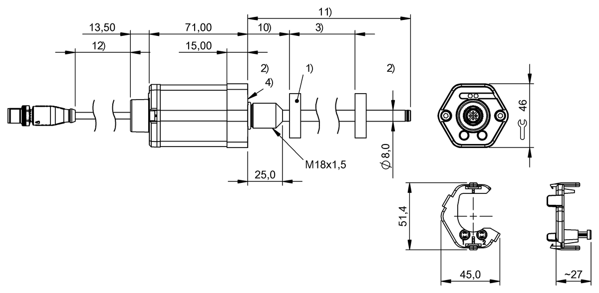
BTL110K

BTL7-A100-M0300-A8-KA00,2-ZA0Z

Magnetostrictive linear position sensors in rod design

Style
Rod series
Mounting part
Threaded flange M18x1.5
Housing material
Aluminum, Anodized
Magnets, number max.
1
Connection
Cable with connector, M12x1, 5-pin, 0.20 m, PUR
Do you have any questions about the product? Get in touch with us.
This product page contains information for Mexico – Balluff Manufacturing Aguascalientes, S.A. de C.V., Jesús Gómez Portugal, Ags.

Quantity scale

Contact request
Key features
Style
Rod series
Mounting part
Threaded flange M18x1.5
Housing material
Aluminum, Anodized
Magnets, number max.
1
Connection
Cable with connector, M12x1, 5-pin, 0.20 m, PUR
Analog output
Analog, voltage 0…10 V
Measuring range
300 mm
Sampling frequency max.
2000 Hz
Non-linearity max.
±50 µm
Repeat accuracy
± 10 µm
Operating voltage Ub
20...28 VDC
Ambient temperature
-40...85 °C
IP rating
IP68
Approval/Conformity
CE
UKCA
cULus
WEEE
Classifications
ECLASS 10.1
27-27-07-03
ECLASS 11.0
27-27-07-03
ECLASS 12.0
27-27-43-03
ECLASS 13.0
27-27-43-03
ECLASS 14.0
27-27-43-03
ECLASS 4.1
27-27-07-03
ECLASS 5.1.4
27-27-07-03
ECLASS 6.2
27-27-07-03
ECLASS 8.1
27-27-07-03
ECLASS 9.0
27-27-07-03
ECLASS 9.1
27-27-07-03
ETIM 4.0
EC002544
ETIM 5.0
EC002544
ETIM 6.0
EC002544
ETIM 7.0
EC001852
ETIM 8.0
EC001852
ETIM 9.0
EC001852
UNSPSC 11
41112100
UNSPSC 7.0901
41112100
Energy consumption labeling
Energy consumption labeling

EPREL - European Product Database for Energy Labeling

Free sample product

In order to add a free sample product to the cart we will need to remove all the normal products from the cart. Are you sure you want to continue