Accesso

Si prega di registrarsi per un calcolo del prezzo individuale.

Rimani sempre aggiornato!

Con le nostre e-mail riceverai informazioni regolari su prodotti, eventi, servizi e ballo.

REGISTRATI COME AZIENDA

Verificheremo se disponi già di un numero cliente con noi per collegare il tuo nuovo account online con esso.

Registrati

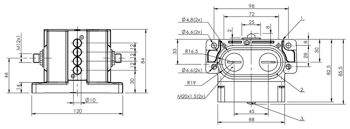
BNS01JT

BNS 819-D04-D12-62-10-FD-S80S

Interruttori di posizione multipli meccanici

Dimensione
120 x 84 x 85.5 mm
Materiale custodia
Alluminio, anodizzato
Numero di postazioni di comando
4x tetto
Versione
Contatto snap-on
Principio di funzionamento
1-4. Punto di commutazione: meccanico

Questo prodotto fa parte del portafoglio Classic, il che significa che

disponibilità estesa
periodo di transizione flessibile
condizioni trasparenti
Classic Banner
Avete domande sul prodotto? Mettetevi in contatto con noi.
Questa pagina di prodotto contiene informazioni per San Marino

Scala di quantità

Richiesta di contatto
Caratteristiche principali
Dimensione
120 x 84 x 85.5 mm
Materiale custodia
Alluminio, anodizzato
Numero di postazioni di comando
4x tetto
Versione
Contatto snap-on
Principio di funzionamento
1-4. Punto di commutazione: meccanico
Corrente permanente
1-4. Punto di commutazione: 4 A
Tensione di esercizio nominale Ue
1-3. Punto di commutazione: 6…60 V
4. Punto di commutazione: 30 V AC / 36 V DC
Installazione
verticale
Direzione di avvicinamento
longitudinalmente, in parallelo alla superficie di avvitamento
Velocità di avvicinamento
1-4. Punto di commutazione: 40 m/min
Distanza dei punti di commutazione
12 mm
Tipo di collegamento
1. Punto di commutazione: Connettore
Temperatura ambiente
-5...85 °C
Grado di protezione
IP67
Omologazione / conformità
CE
UKCA
CCC
WEEE
Classificazioni
ECLASS 10.1
27-27-06-02
ECLASS 11.0
27-27-06-02
ECLASS 12.0
27-27-06-02
ECLASS 13.0
27-27-06-02
ECLASS 14.0
27-27-06-02
ECLASS 5.1.4
27-27-06-02
ECLASS 6.2
27-27-06-02
ETIM 4.0
EC001829
ETIM 5.0
EC001829
ETIM 6.0
EC001829
ETIM 7.0
EC001829
ETIM 8.0
EC001829
ETIM 9.0
EC001829
UNSPSC 11
41111900
UNSPSC 7.0901
41111900
eCl@ss 4.1
27-27-06-06
eCl@ss 8.1
27-27-06-02
eCl@ss 9.0
27-27-06-02
eCl@ss 9.1
27-27-06-02
Energy consumption labeling
Energy consumption labeling

EPREL - European Product Database for Energy Labeling

Prodotto campione gratuito

Per poter aggiungere un prodotto campione gratuito al carrello è necessario rimuovere tutti i prodotti normali dal carrello. È sicuro di voler continuare