Accesso

Si prega di registrarsi per un calcolo del prezzo individuale.

Rimani sempre aggiornato!

Con le nostre e-mail riceverai informazioni regolari su prodotti, eventi, servizi e ballo.

REGISTRATI COME AZIENDA

Verificheremo se disponi già di un numero cliente con noi per collegare il tuo nuovo account online con esso.

Registrati

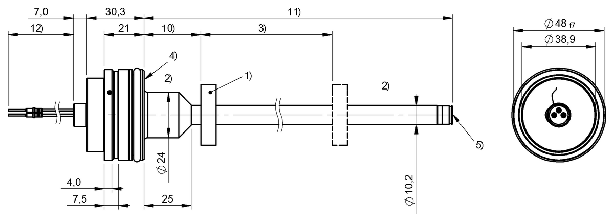
BTL1497

BTL6-E500-M0275-E2-SA313-LA00,19-ZA0T

Sensori di posizionamento lineare magnetostrittivi a barra

Forma
Serie a barra Mobil
Fissaggio
Flangia di montaggio Ø48 f7
Materiale custodia
Acciaio inossidabile (1.4404)
Sensori di posizione, numero max.
1
Collegamento
Trefoli, 0.19 m, ETFE
Avete domande sul prodotto? Mettetevi in contatto con noi.
Questa pagina di prodotto contiene informazioni per San Marino

Scala di quantità

Richiesta di contatto
Caratteristiche principali
Forma
Serie a barra Mobil
Fissaggio
Flangia di montaggio Ø48 f7
Materiale custodia
Acciaio inossidabile (1.4404)
Sensori di posizione, numero max.
1
Collegamento
Trefoli, 0.19 m, ETFE
Uscita analogica
analogica, corrente 4…20 mA
Campo di misurazione
275 mm
Frequenza di misurazione max.
1000 Hz
Risoluzione
A seconda del Controller (limitato solo dalla precisione di ripetibilità)
Scostamento di linearità max.
±200 µm
Precisione di ripetibilità
± 5 µm
Tensione d'esercizio UB
10...30 VDC
Temperatura ambiente
-40...85 °C
Grado di protezione
IP67
Omologazione / conformità
CE
UKCA
WEEE
Classificazioni
ECLASS 10.1
27-27-07-03
ECLASS 11.0
27-27-07-03
ECLASS 12.0
27-27-43-03
ECLASS 13.0
27-27-43-03
ECLASS 14.0
27-27-43-03
ECLASS 5.1.4
27-27-07-03
ECLASS 6.2
27-27-07-03
ETIM 4.0
EC002544
ETIM 5.0
EC002544
ETIM 6.0
EC002544
ETIM 7.0
EC001852
ETIM 8.0
EC001852
ETIM 9.0
EC001852
UNSPSC 11
41112100
UNSPSC 7.0901
41112100
eCl@ss 4.1
27-27-07-03
eCl@ss 8.1
27-27-07-03
eCl@ss 9.0
27-27-07-03
eCl@ss 9.1
27-27-07-03
Energy consumption labeling
Energy consumption labeling

EPREL - European Product Database for Energy Labeling

Prodotto campione gratuito

Per poter aggiungere un prodotto campione gratuito al carrello è necessario rimuovere tutti i prodotti normali dal carrello. È sicuro di voler continuare