Prodotti
Assistenza e supporto
Settori Industriali e Soluzioni
Azienda
Il vostro prezzo non può essere visualizzato
Per motivi tecnici, le vostre condizioni individuali non possono essere recuperate dal server in questo momento. Tuttavia, è ancora possibile effettuare un ordine. Non appena le vostre condizioni saranno reperibili, verrà creata una fattura con il vostro prezzo e vi verrà inviata via e-mail.
Annullato

BID0002

BID F101-2M1M3R-M02AZ0-S115

Dispositivi di ritenuta elettromeccanici

B10d (EN ISO 13849-1)
5 milioni di cicli di commutazione
Livello di codifica (EN ISO 14119)
basso
Omologazione / conformità
CE
Sicurezza
Sicurezza
WEEE
Principio di funzionamento
spinta meccanica, contatto
Numero dei contatti
2 contatti per apertura positiva
Avete domande sul prodotto? Mettetevi in contatto con noi.
Questa pagina di prodotto contiene informazioni per l'Italia – Venaria Reale

Scala di quantità

Richiesta di contatto
Caratteristiche principali
B10d (EN ISO 13849-1)
5 milioni di cicli di commutazione
Livello di codifica (EN ISO 14119)
basso
Omologazione / conformità
CE
Sicurezza
Sicurezza
WEEE
Principio di funzionamento
spinta meccanica, contatto
Numero dei contatti
2 contatti per apertura positiva
Categoria d’uso
AC-15
DC-13
Direzione di avvicinamento
laterale + alto
Bloccaggio, tipo/principio
sì, forza elastica (corrente di riposo)
Forza di bloccaggio FZH
2500 N
Sbloccaggio ausiliario
Chiave
Sblocco di emergenza
Collegamento
Connettore, M12x1-Connettore, 8-poli
Dimensione
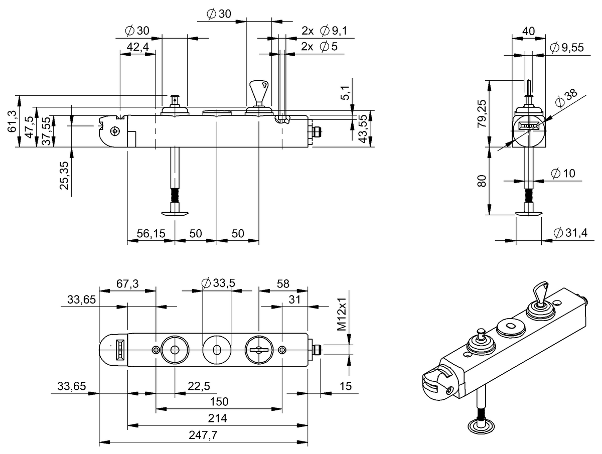
40 x 247.7 x 61.3 mm
Temperatura ambiente
0...40 °C
Grado di protezione
IP65
Materiale custodia
Alluminio
Classificazioni
ECLASS 10.1
27-27-26-03
ECLASS 11.0
27-27-26-03
ECLASS 12.0
27-27-26-03
ECLASS 13.0
27-27-26-03
ECLASS 14.0
27-27-26-03
ECLASS 5.1.4
27-27-26-03
ECLASS 6.2
27-27-26-03
ETIM 4.0
EC002592
ETIM 5.0
EC002592
ETIM 6.0
EC002592
ETIM 7.0
EC002592
ETIM 8.0
EC002592
ETIM 9.0
EC002592
UNSPSC 11
39122234
UNSPSC 7.0901
39122234
eCl@ss 8.1
27-27-26-03
eCl@ss 9.0
27-27-26-03
eCl@ss 9.1
27-27-26-03
Energy consumption labeling
Energy consumption labeling

EPREL - European Product Database for Energy Labeling

Avete domande o suggerimenti? Siamo a vostra disposizione.

Per tutte le domande relative ad argomenti commerciali come preventivi, ordini, tempi di consegna, il nostro reparto vendite interno sarà lieto di supportarvi.

Contattateci direttamente per telefono: + 39 011 3150711


Balluff Automation S.r.l

Balluff Automation S.r.l.
Corso Cuneo 15,
10078 Venaria Reale (TO).

Prodotto campione gratuito

Per poter aggiungere un prodotto campione gratuito al carrello è necessario rimuovere tutti i prodotti normali dal carrello. È sicuro di voler continuare