Accesso

Effettuare il login per entrare nella sezione MyBalluff

Rimani sempre aggiornato!

Con le nostre e-mail riceverai informazioni su prodotti, eventi, servizi e novità.

REGISTRATI COME AZIENDA

Verificheremo se disponi già di un numero cliente con noi per collegare il tuo nuovo account online con esso.

Registrati
Prodotti
Assistenza e supporto
Settori Industriali e Soluzioni
Azienda

BIS018H

BIS U-113-M4/CAA

Etichette rettangolari per la gamma UHF (860/960 MHz)

Gruppo prodotti
UHF (860...930 MHz)
Frequenza di lavoro
860…960 MHz
Omologazione radio
Europa (CE)
Regno Unito (UKCA)
Dimensione
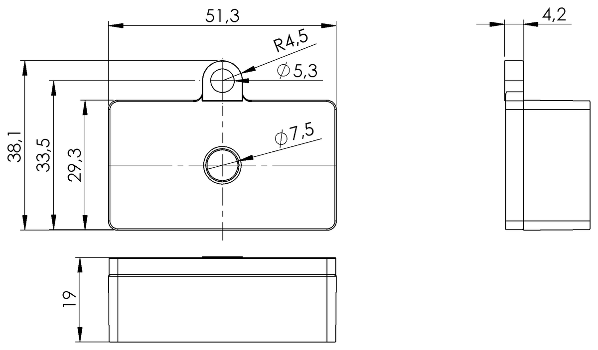
38.1 x 19 x 51.3 mm
Tipo di memoria
EEPROM
Avete domande sul prodotto? Mettetevi in contatto con noi.
Questa pagina di prodotto contiene informazioni per l'Italia – Venaria Reale

Scala di quantità

Richiesta di contatto
Caratteristiche principali
Gruppo prodotti
UHF (860...930 MHz)
Frequenza di lavoro
860…960 MHz
Omologazione radio
Europa (CE)
Regno Unito (UKCA)
Dimensione
38.1 x 19 x 51.3 mm
Tipo di memoria
EEPROM
Dati utente, lettura/scrittura
0 Bit
Memoria EPC, lettura/scrittura
96 Bit
Memoria TID, in sola lettura
48 Bit
Forma antenna
Dipolo
Installazione
senza metalli (zona libera)
Temperatura di immagazzinamento
-40...85 °C
Temperatura ambiente
-40...85 °C
Materiale custodia
PVDF
Grado di protezione
IP68
IP69K
Omologazione / conformità
CE
UKCA
WEEE
Ecolab
Classificazioni
ECLASS 10.1
27-28-04-02
ECLASS 11.0
27-28-04-02
ECLASS 12.0
27-28-04-02
ECLASS 13.0
27-28-04-02
ECLASS 14.0
27-28-04-02
ECLASS 5.1.4
27-28-04-01
ECLASS 6.2
27-28-04-01
ETIM 6.0
EC002996
ETIM 7.0
EC002996
ETIM 8.0
EC002996
ETIM 9.0
EC002996
UNSPSC 11
43211710
UNSPSC 7.0901
43211710
eCl@ss 4.1
27-28-04-01
eCl@ss 8.1
27-28-04-90
eCl@ss 9.0
27-28-04-02
eCl@ss 9.1
27-28-04-02
Energy consumption labeling
Energy consumption labeling

EPREL - European Product Database for Energy Labeling

Avete domande o suggerimenti? Siamo a vostra disposizione.

Per tutte le domande relative ad argomenti commerciali come preventivi, ordini, tempi di consegna, il nostro reparto vendite interno sarà lieto di supportarvi.

Contattateci direttamente per telefono: + 39 011 3150711


Balluff Automation S.r.l

Balluff Automation S.r.l.
Corso Cuneo 15,
10078 Venaria Reale (TO).

Prodotto campione gratuito

Per poter aggiungere un prodotto campione gratuito al carrello è necessario rimuovere tutti i prodotti normali dal carrello. È sicuro di voler continuare