Ürünler
Servis ve Destek
Endüstrıler ve Çözümler
Şırket

BNS00UZ

BNS 813-D03-R12-100-10-01

Emniyet sviç konumları bulunan mekanik çok konumlu limit sviçleri

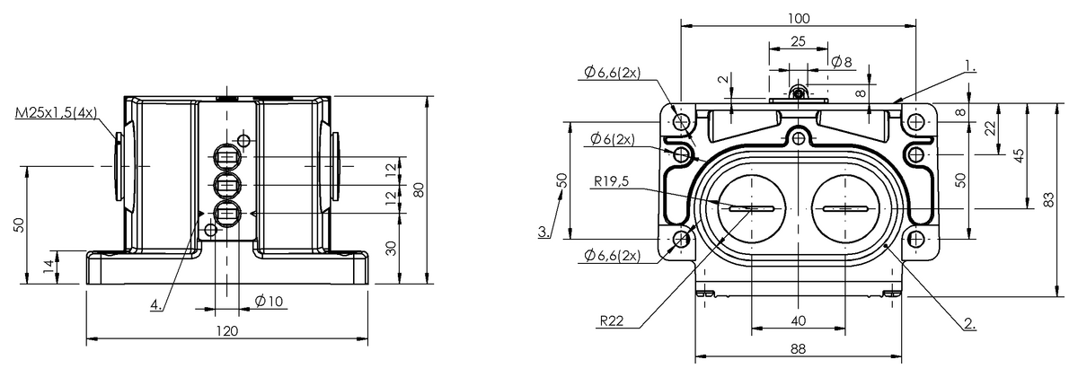
Boyut
120 x 80 x 83 mm
Dış gövde malzemesi
Alüminyum, Anodize
Anahtarlama konum sayısı
3x Roller
Versiyon
EN 60204-1 emniyet standardı
Çalışma prensibi
1-3. Anahtarlama pozisyonu: Mekanik

Bu ürün Classic portföyün bir parçasıdır, yani

genişletilmiş kullanılabilirlik
esnek geçiş dönemi
şeffaf koşullar
Classic Banner
Ürünle ilgili sorularınız mı var? Bizimle temasa geçin.
Bu ürün sayfası Türkiye için bilgiler içermektedir – Balluff Turkey Otomasyon Ticaret Limited Sirketi, Istanbul

miktar ölçeği

İletişim isteği
Ana Özellikler
Boyut
120 x 80 x 83 mm
Dış gövde malzemesi
Alüminyum, Anodize
Anahtarlama konum sayısı
3x Roller
Versiyon
EN 60204-1 emniyet standardı
Çalışma prensibi
1-3. Anahtarlama pozisyonu: Mekanik
Sürekli akım
1-3. Anahtarlama pozisyonu: 6 A
Nominal çalışma voltajı Ue
1-3. Anahtarlama pozisyonu: 250 V AC
Montaj
Dikey
Yaklaşım yönü
uzunluğuna, birleşme yüzeyine paralel olarak
Yaklaşım hızı
1-3. Anahtarlama pozisyonu: 60 m/min
Sviç konum mesafesi
12 mm
Bağlantı tipi
1-3. Anahtarlama pozisyonu: Vidalı terminal
Ortam sıcaklığı
-5...85 °C
IP derecesi
IP67
Onay/Uyumluluk
CE
UKCA
CCC
WEEE
sınıflandırmalar
ECLASS 10.1
27-27-06-02
ECLASS 11.0
27-27-06-02
ECLASS 12.0
27-27-06-02
ECLASS 13.0
27-27-06-02
ECLASS 14.0
27-27-06-02
ECLASS 4.1
27-27-06-06
ECLASS 5.1.4
27-27-06-02
ECLASS 6.2
27-27-06-02
ECLASS 8.1
27-27-06-02
ECLASS 9.0
27-27-06-02
ECLASS 9.1
27-27-06-02
ETIM 4.0
EC001829
ETIM 5.0
EC001829
ETIM 6.0
EC001829
ETIM 7.0
EC001829
ETIM 8.0
EC001829
ETIM 9.0
EC001829
UNSPSC 11
41111900
UNSPSC 7.0901
41111900
Energy consumption labeling
Energy consumption labeling

EPREL - European Product Database for Energy Labeling

Herhangi bir sorunuz veya öneriniz var mı? Biz sizin emrinizdeyiz.

Teklifler, siparişler, teslimat süreleri gibi ticari konularla ilgili tüm sorularınız için iç satış departmanımız size destek vermekten mutluluk duyacaktır.

Bize doğrudan telefonla ulaşın: +90 216 265 12 00


Balluff Turkey Otomasyon Tic. Ltd. Şti.

PAKPEN PLAZA
Sahrayıcedid Mah. Halk Sokak No:40 Kat:6
Kadıköy/ 34734 İSTANBUL

Lütfen bizimle iletişime geçin:
[email protected]

Ücretsiz örnek ürün

Sepete ücretsiz bir örnek ürün eklemek için tüm normal ürünleri sepetten çıkarmamız gerekecek. Devam etmek istediğine emin misin