ログイン

お客様の条件に沿った価格計算のため、ご登録ください。

常に最新のものになります

私たちの電子メールでは、製品、イベント、サービス、バラフに関する定期的な情報が表示されます。

会社として登録

新しいオンラインアカウントをリンクするために、お客様番号が既にあるかどうかを確認します。

登録
製品
サービス&サポート
分野とソリューション
企業情報
キャンセル

BES02AA

BES 516-217-E5-E-S21

誘導型近接センサ

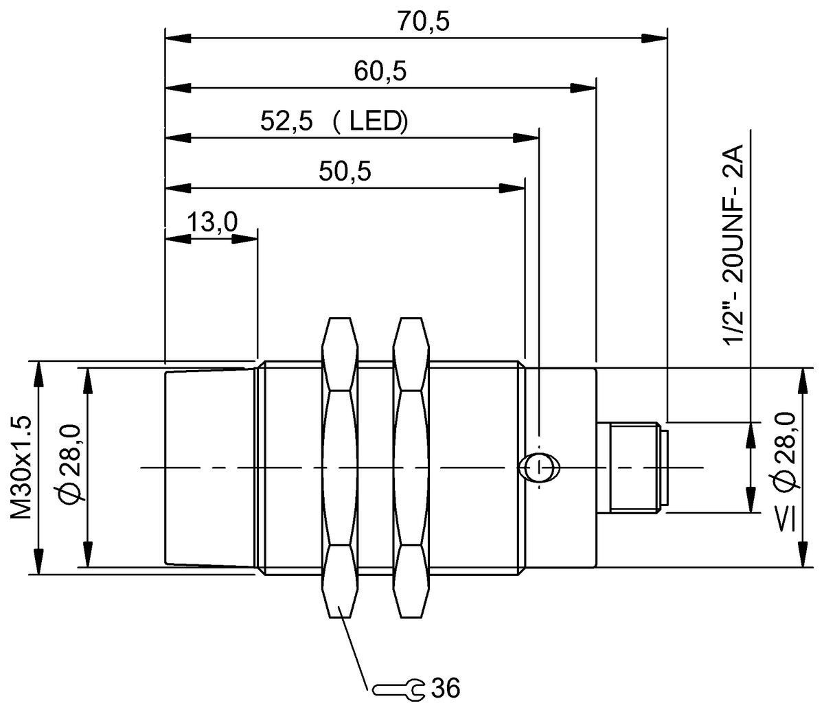
寸法
Ø 30 x 70.5 mm
構造
M30×1.5
設置・取付け
非シールド
検出距離
15 mm
スイッチング出力
常時開(NO)
推奨代替品
BES05ZR 誘導型近接センサ BES M30MF2-UST10B-S21G
国内在庫数(目安)
代替製品と生産中止製品との違いは何ですか?
製品について質問はありますか? お問い合わせ.
この製品ページには日本向けの情報が含まれています。– Balluff Co., Ltd., Tōkyō

数量スケール

お問い合わせ
仕様
寸法
Ø 30 x 70.5 mm
構造
M30×1.5
設置・取付け
非シールド
検出距離
15 mm
スイッチング出力
常時開(NO)
スイッチング周波数
100 Hz
ハウジング材質
真鍮, ニッケルめっき
検出面材質
PA 12
接続
コネクタ、1/2"-20 UNF-2A-オス
電源電圧 Ub
20 ~ 250 VDC/20 ~ 250 VAC
周囲温度範囲
-25...70 °C
保護等級
IP67
承認/ 適合
CE
cULus
EAC
WEEE
分類
ECLASS 10.1
27-27-01-01
ECLASS 11.0
27-27-01-01
ECLASS 12.0
27-27-40-01
ECLASS 13.0
27-27-40-01
ECLASS 14.0
27-27-40-01
ECLASS 5.1.4
27-27-01-01
ECLASS 6.2
27-27-01-01
ETIM 4.0
EC002714
ETIM 5.0
EC002714
ETIM 6.0
EC002714
ETIM 7.0
EC002714
ETIM 8.0
EC002714
ETIM 9.0
EC002714
UNSPSC 11
41111926
UNSPSC 7.0901
41111926
eCl@ss 4.1
27-27-01-01
eCl@ss 8.1
27-27-01-01
eCl@ss 9.0
27-27-01-01
eCl@ss 9.1
27-27-01-01
Energy consumption labeling
Energy consumption labeling

EPREL - European Product Database for Energy Labeling

無料サンプル製品

無料サンプル製品をカートに追加するには、カートから通常製品をすべて削除する必要があります。本当に続けますか?